化工泵產品 PRODUCTS LIST
概述
JM機械隔膜式計量泵
(1)最大流量150L/h;
(2)最高壓里2.0MPa;
(3)采用先進的N軸調節機構;
(4)ABS/1Cr18Ni9Ti/316不銹鋼泵頭材料;
(5)泵運行狀態可調節流量;
(6)在10%至100%流量調節范圍內,精度可到達±2%;
應用范圍
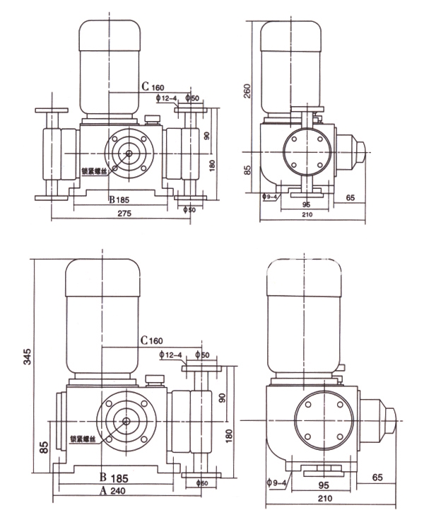
結構簡圖

型號意義
性能參數表
| 規格型號 | 流量 (L/H) | 壓力 (MPa) | 電機功率 (KW) | A | B | C |
| JW-JM-50/1.0 | 50 | 1.0 | 0.25 | 240 | 185 | 160 |
| JW-JM-100/0.8 | 100 | 0.8 | ||||
| JW-JM-200/0.5 | 200 | 0.5 | ||||
| 2JW-JM-100/1.0 | 100 | 1.0 | ||||
| 2JW-JM-200/0.8 | 200 | 0.8 | ||||
| 2JW-JM-400/0.5 | 400 | 0.5 |


